Luftigt og dekorativt lamelhegn fra Plus
Plus Tokyo havehegn er et stilrent og dekorativt hegn, til dig der ønsker at skabe afskærmning eller et uderum, med et luftigt look. Plus Tokyo hegn med smalle og horisontale lameller, giver dig mulighed for at danne rammer for et hyggeligt og naturlig look, ved at lade dine smukke blomster eller slyngplanter, klatre dekorativt op af dit Tokyo Plus lamelhegn. Lamelhegnet er et nabovenligt træhegn i haven eller på terrassen hvor du ønsker at bibeholder følelsen af, at du befinder dig i et åbent, let og luftigt uderum.
Jalousihegnet er produceret i bæredygtige materialer, i en blanding af fyr og gran, som efterfølgende er blevet trykimprægneret og grundmalet, hvilket giver hegnet en længere levetid. Lamelhegnet er i naturmaterialer, så der kan forekomme farvevarianter, revner og knasthuller, hvilket gør hver enkelt hegn model unik.
Egenskaber og fordele for Plus Tokyo hegn
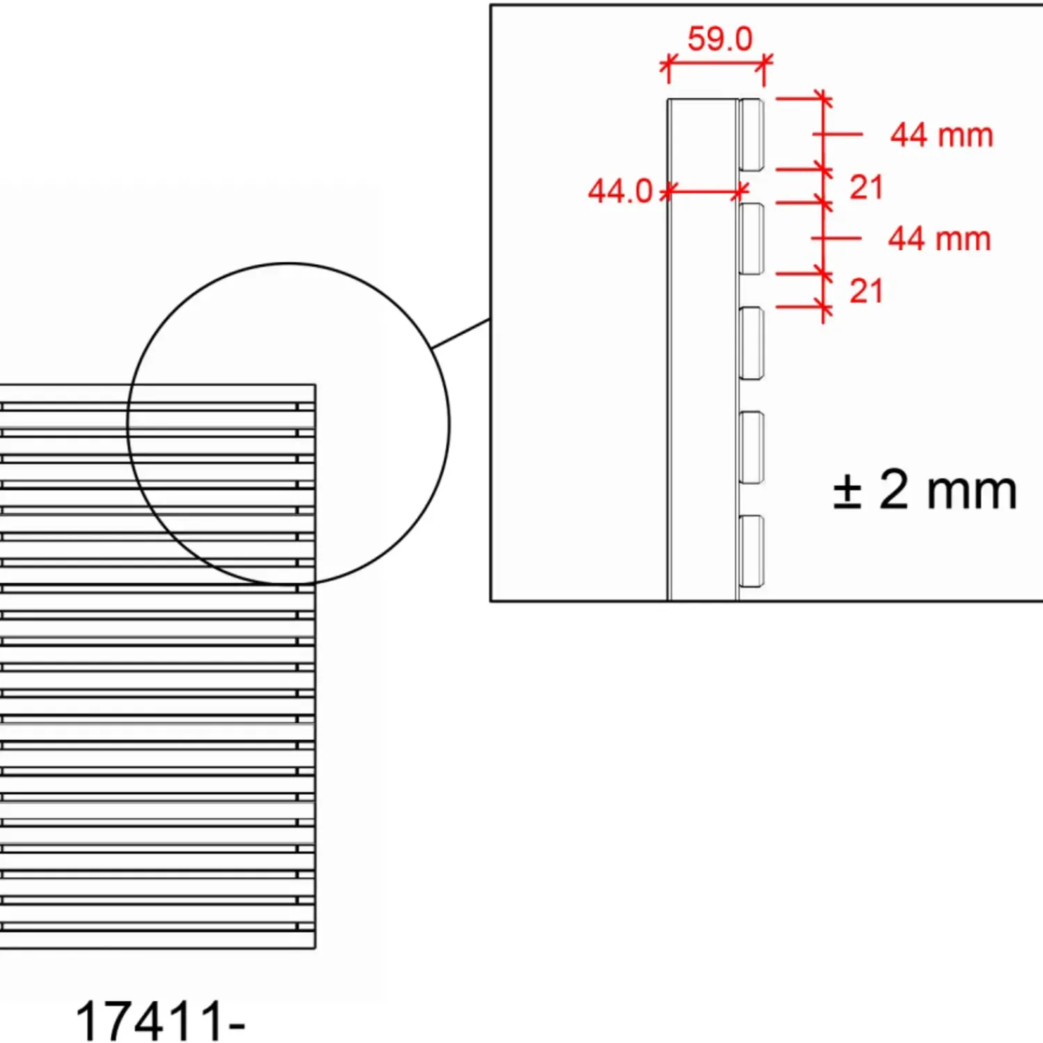
- Rammer: 44 x 44 mm
- Lameller: 15 x 44 mm
- Afstand mellem lameller: 21 mm
- Hegnet er samlet med rustfrie slagskruer
- Udført i gode materialer og grundmalet
- Modulet kommer færdigsamlet, som er nem og hurtig at monterer direkte til stolperne
Vedligeholdelse og montering af Plus Tokyo hegn
- Vær opmærksom på at, modulet sælges separat. Husk at tilkøbe stolper og skruer til montering af havehegnet.
- Ønsker du at sikrer så lang levetid som muligt, anbefaler vi at du efterbehandler dit Tokyo Plus havehegn ved montering samt en gang årligt, ved at anvende dækkende eller transparent træbeskyttelse.
Husk! at tage højde for hegnets modulmål. ‘Breddemål’ er afstanden mellem stolperne. I dette mål er der taget højde for montagebeslag. Da bredden kan variere nogle få mm pga. svingende fugtighed i træet, anbefaler vi at veksle mellem stolper og hegn ved opsætning, og ikke montere alle stolper forud. Dette gør sig også gældende, hvis man vælger en anden type beslag end den anbefalede.
























Reviews
There are no reviews yet.